Каталог продукции
- Химические анкеры
- Механические анкеры
- Монтажная система и фальшпол KREPTONN
- Противопожарные пены и герметики
- Монтажные элементы для инженерных систем и фальшполов
- Крепеж общего назначения
- Конструкционные саморезы
-
Профессиональная расходка для электроинструментов
- Биты и буры
- Долото, пика, зубило
- Круги отрезные и шлифовальные
- Шлифовальная бумага
- Алмазные режущие диски
- Биты и адаптеры
- Биты и насадки ударные
- Другие аксессуары
- Коронки алмазные
- Полотна для лобзиков
- Сверла по дереву
- Сверла по металлу
- Сверла, долота, буры SDS max
- Сверла, зубила, буры SDS plus
- Специальные ножовочные полотна
- Цилиндрические сверла по бетону
- Диск пильный по дереву
- Техника прямого монтажа
- Кровельный крепеж
- Фасадный анкер
- Принадлежности для монтажа
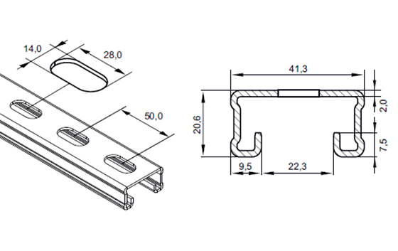
HILST Профиль монтажный 41*21*2*2000 мм HPPM2122000 - купить
HPPM2122000Подберем аналог
При необходимости подберём для ваших задач один или несколько аналогов, подготовим анализ-сравнение по техническим параметрам, ценам, срокам поставки
- Описание
- Характеристики
Описание
Характеристики
Профиль сварной монтажный 41х21х2 позволяет легко и быстро соединять элементы без использования специальных инструментов или сварки. Обеспечивает прочное и надежное крепление различных элементов системы.
Идеально подходит для монтажа вентиляционных систем, кабельных лотков, систем водопровода и других инженерных ко ммуникаций.
HPPM2122000
Остались вопросы?